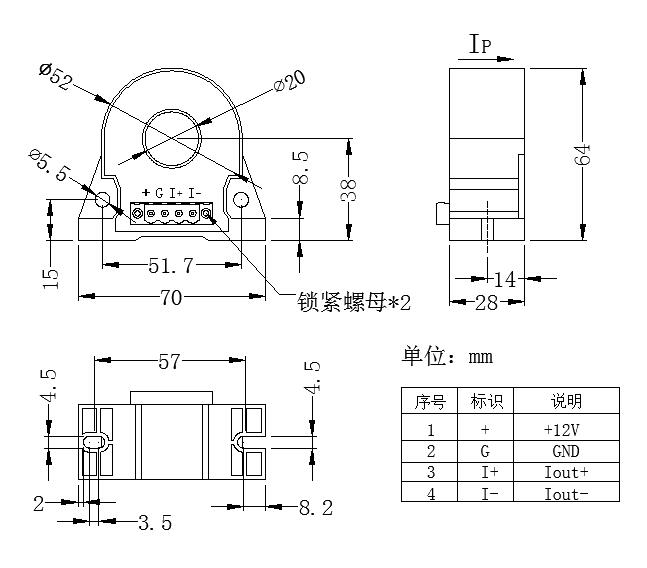
SCB40系列霍爾電流傳感器,采用霍爾效應原理,單電源閉環電路對電流信號進行處理,分別以電流方式或電壓方式輸出,具有體積小,輸出精度高,低零飄,性能穩定的特點。廣泛應用于電動汽車、電池、新能源等領域電流測量及控制,是實現節能優化控制的理想部件、器件。
深圳市碩亞科技有限公司
地址:深圳市光明區鳳新路新健興科技工業園A3棟4樓
電話:+86-0755-88659381
傳真:+86-0755-88659383
郵箱:sales@szsocan.com
報價