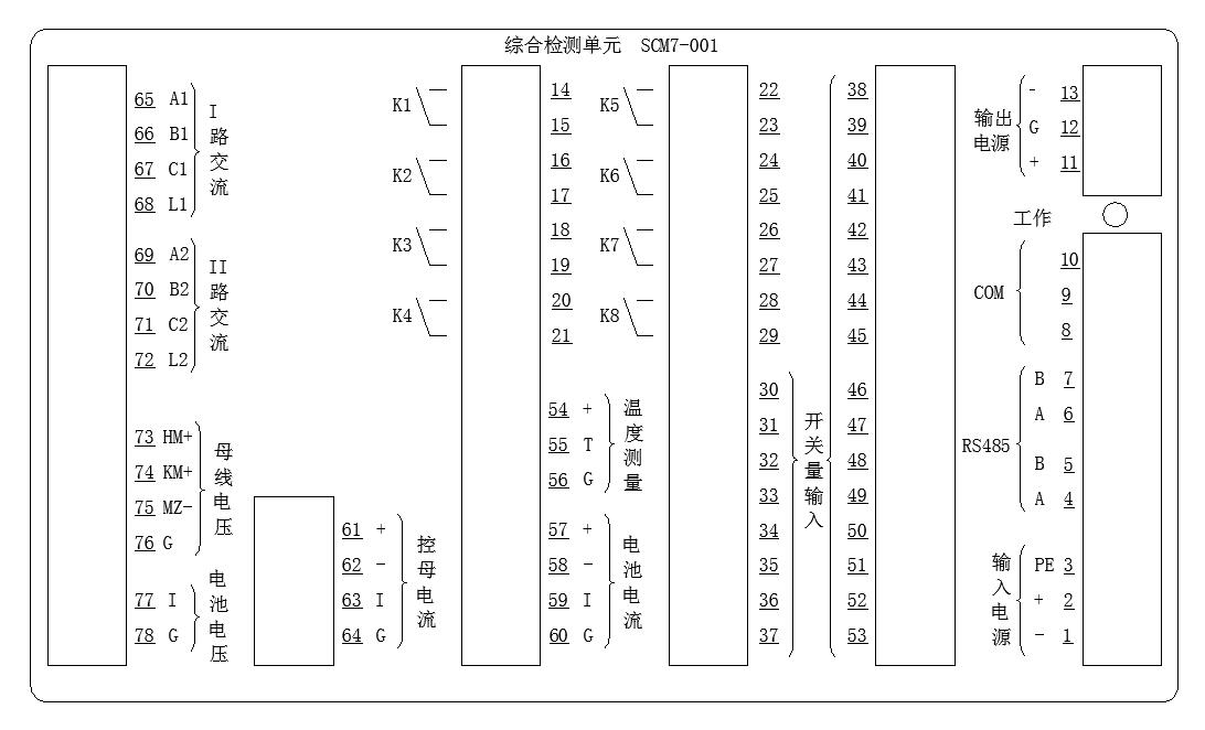
綜合檢測單元是對系統交、直流檢測及對整流模塊進行控制的一種設備。內部使用CPU控制,采取標準MODBUS通信協議,主要用于測量三相交流電壓、直流電壓、直流電流、開關量輸入檢測、繼電器輸出控制和直流絕緣檢測。 可根據要求設計不同的通訊協議!!!
深圳市碩亞科技有限公司
地址:深圳市光明區鳳新路新健興科技工業園A3棟4樓
電話:+86-0755-88659381
傳真:+86-0755-88659383
郵箱:sales@szsocan.com
報價