Technical Parameters
|
Parameters(25°C) Model |
SCY15C- |
|
|
750A |
1000A |
|
|
High Primary Current (IPH) |
750A |
1000A |
|
Low Primary Current (IPL) |
75A |
100A |
|
Saturation Current (IP) |
750AT |
1000AT |
Electrical Data
|
Item |
Min. |
Typical |
Max. |
Unit |
|
Input power supply voltage range Vc(±5%)(Remark 1,Remark 2) |
- |
±5 |
- |
VDC |
|
Current consumption Ic |
- |
±25 |
±30 |
mA |
|
Withstand resistance RINS @500V DC |
1000 |
- |
- |
MΩ |
|
Output voltage Vout @IPN, RL=25KΩ,TA= 25℃ |
|
V |
||
|
Output internal resistance ROUT |
- |
102 |
- |
Ω |
|
Load Resistance RL(Remark 3) |
- |
25 |
- |
KΩ |
|
Accuracy Х @IPN,TA= 25℃ |
- |
±1 |
- |
% |
|
Linearity εL @RL=10KΩ,TA= 25℃ |
- |
±1 |
- |
%IPN |
|
Offset voltage VOE @TA= 25℃ |
- |
±20 |
±30 |
mV |
|
Hysteresis voltage VO M @ IPN→0 |
10 |
±20 |
±30 |
mV |
|
Temperature Coefficient of Offset Voltage TCVOE |
- |
±1 |
±1 |
mV/℃ |
|
Output voltage temperature coefficient TCVout |
- |
±0.08 |
±0.15 |
%/℃ |
|
Response time tD @ 0→IPN (Remark 4) |
- |
3 |
5 |
us |
|
Ambient operating temperature TA |
-40 |
25 |
125 |
℃ |
|
Ambient storage temperature Ts |
-40 |
25 |
125 |
℃ |
|
Withstand voltage VD@50Hz,60s,0.1mA |
|
3000 |
|
VAC |
|
Weight m |
|
80 |
|
g |
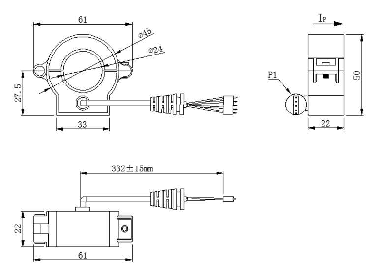
Dimensions (inmm)



1. Size error: ±0.5mm;
2. Primary aperture: φ24mm;
3. SCY15C wire shell: 2520H-05/ECI,
Terminal: 2521-2/ECI;
4. The IP indication direction is the positive direction of the current;
5. Incorrect wiring may cause damage to the sensor.
