CN EN

SCK12 Series Hall-effect Current Transducer

SCK12 Series open loop current sensor develops on the basic of hall effect principle. Galvanic isolation between primary and secondary circuit of the sensor. Measure DC, AC or pulse currents.

Back Download

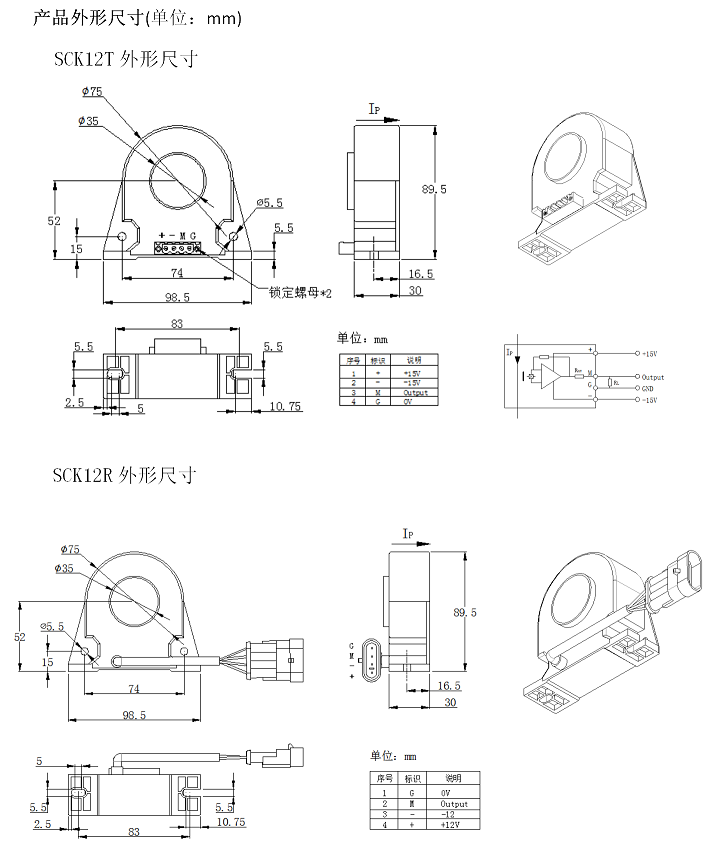
Dimensions (in mm. 1mm=0.0394 inch):

Notes:

1. Size error: ±1mm;
2. Primary aperture: φ35mm;
3. Fastening hole: φ5.5mm*2;
4. K12T output terminal: 2EDGIV-5.08-4P;
K12T mating plug: 2EDGIK-5.08-4P;
5. K12R rubber case: 282106-1/AMP
K12R terminal: 282404-1/AMP
K12R waterproof plug: 281934-1/AMP
6. The IP indication direction is the positive direction of the current;
7. The temperature of the primary conductor shall not exceed 105°C;
8. Incorrect wiring may cause damage to the sensor.







Shenzhen Socan Technologies Co.,Ltd

Top003101-logo1.png

Address:4th Floor, A3 Bld, Xin Jian Xing Industrial Park, Feng Xing Rd, Guangming Street, Guangming New District, Shenzhen, China

Tel:+86-0755-33263060

Fax:+86-0755-33263006

E-mail:sales@szsocan.com

Quote

Name:
Phone:
E-mail:
Content:
最近韩国电影免费高清完整版