Techinical Parameters:
| Parameters(25°C) Model | SCK23D- | |||
| 6A | 10A | 25A | 50A | |
| Nominal Input Current (Ipn) | ±6AT | ±10AT | ±25AT | ±50AT |
| Measuring Range (Ip) | 18AT | 30AT | 100AT | 100AT |
| Load resistance Rmax | ≥10kΩ | |||
| Output voltage | 2.5 V ±2 V | |||
| Working voltage | DC +5V(±5%) | |||
| Accuracy @ Ta=25°C | ±0.5% | |||
| Linearity @ Ta=25°C | ±0.5% | |||
| Withstand voltage | 3.0kVrms/50Hz/min | |||
| Offset Voltage | 2.5V <±1% | |||
| Offset temperature characteristics | < ±0.05%/°C | |||
| Offset voltage temperature characteristics | < ±0.1%/°C | |||
| Hysteresis offset | <±5mV | |||
| Response time | < 5uS | |||
| Current consumption | <±15mA | |||
| Operating temperature | -40~+80 °C | |||
| Storage temperature | -40~+85 °C | |||
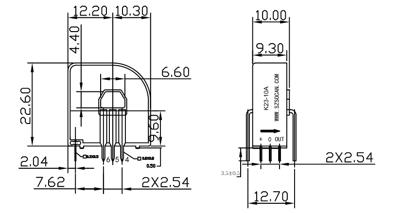
Notes:
1. Size error: ±0.5mm;
2. Primary aperture: ◇4.4*6.6mm;
3. Fastening hole: φ4.5mm;
4. Lead pin output, spacing 2.54*2mm;
5. The IP indication direction is the positive direction of the current;
6. The temperature of the primary conductor shall not exceed 105°C;
7. Incorrect wiring may cause damage to the sensor.
