CN EN

SCB31 Series Close Loop Hall Current Sensor

SCB31 Series Close Loop Hall Current Sensor is a new generation closed loop current sensor based on Hall effect principle, it can accurately measure DC, AC and pulse current and other various irregular Waveforms current in electrical isolation conditions. Perforations in the form of a square type, use for copper connections, it is widely used in inverters, power supply, DC panel and welding machines etc.

Back Download

Technical Data:

Parameters(25°C) Model SCB31-100A SCB31-200A
Nominal Rms Current (Ipn) ±100AT ±200AT
Measuring Range (Ip) 200AT 420AT
Road Resistance Rmax 20~80Ω 12~70Ω
Output current ±50mA ±100mA
Turns Ratio 1: 2000
Measuring Resistance 40Ω
Working voltage DC    ±12V or ±15V (±5%)
Accuracy @ Ta=25°C ±0.5% FS
Linearity @ Ta=25°C ±0.1% FS
Offset current < ±0.2mA < ±0.1mA
Offset temperature characteristics < ±0.2%/°C
Themal drift of Vo Typical values ± 0.1mA, maximum ±0.5mA Typical values ± 0.05mA, maximum ±0.25mA
Di/Dt following accuracy >100A/us
Bandwidth DC ~100kHz
Response time < 1uS
Hysteresis offset < 0.5mA (if=F.S. 0<--- ---="">Nominal RMS Current)
Withstand voltage 3kVrms/50Hz/min
Current consumption 10mA + output current
Operating temperature -40~+125 °C
Storage temperature -40~+125 °C
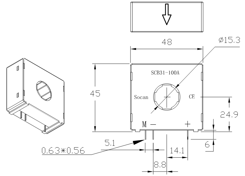
Dimension(mm):

Notes:

1. Size error: ±0.5mm;
2. Primary aperture: □17*4.5+13*6.5mm;
3. Pinpoint output: □0.64*0.56mm*4,
Recommended PCB cut-out: 0.9mm;
4. The IP indication direction is the positive direction of the current;
5. Incorrect wiring may cause damage to the sensor.



Shenzhen Socan Technologies Co.,Ltd

Top003101-logo1.png

Address:4th Floor, A3 Bld, Xin Jian Xing Industrial Park, Feng Xing Rd, Guangming Street, Guangming New District, Shenzhen, China

Tel:+86-0755-33263060

Fax:+86-0755-33263006

E-mail:sales@szsocan.com

Quote

Name:
Phone:
E-mail:
Content:
最近韩国电影免费高清完整版