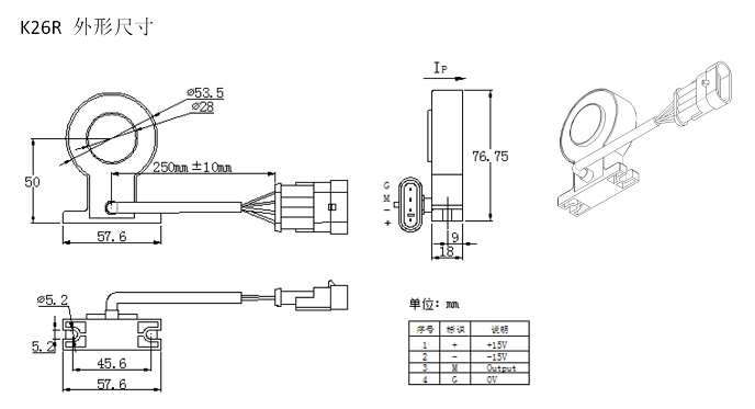
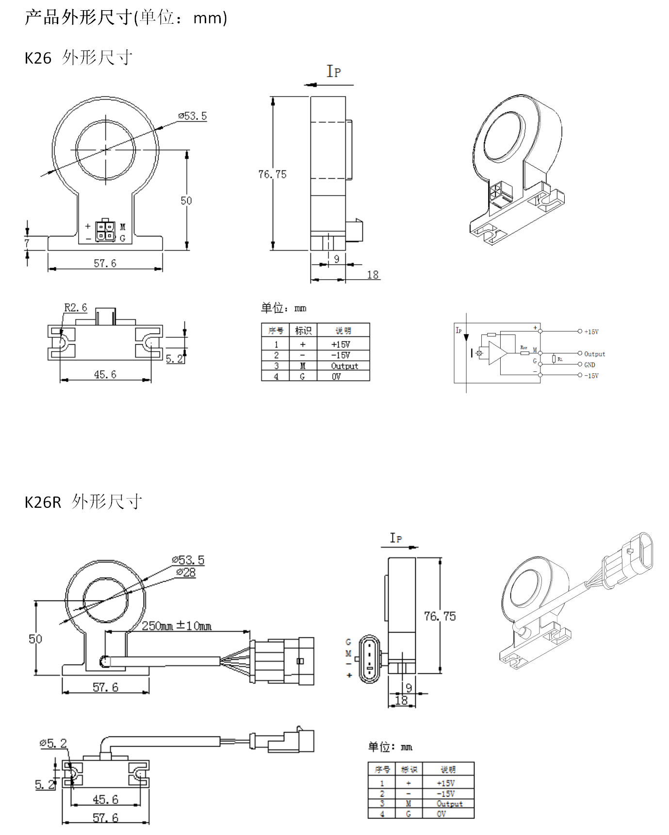
Dimension & Wiring:



Notes:
1. Size error: ±1mm;
2. Primary aperture: φ28mm;
3. Fastening hole: φ5mm*2;
4. SCK26 output terminal: 1586037-4/TE;
Mating plug: 1969603-4/TE ;
5. SCK26R rubber case: 282106-1/AMP ;
Terminal: 282404-1/AMP ;
Waterproof plug: 281934-1/AMP ;
6. The IP indication direction is the positive direction of the current;
7. The temperature of the primary conductor shall not exceed 105°C;
8. Incorrect wiring may cause damage to the sensor.
