General Data:
| Parameters(25°C) Model | SCD3-AC -10mA | SCD3-AC -20mA | SCD3-AC -50MA | SCD3-AC -100mA | ||||||||
| Nominal Rms Current (Ipn) | ±10mA | ±20mA | ±50mA | ±100mA | ||||||||
| Measuring Range (Ip) | 2* Ipn | |||||||||||
| Load resistance Rmax | ≥10kΩ | |||||||||||
| Output Voltage | ±5V(DC) 5V(AC) | |||||||||||
| Working voltage | ±12V~±15V(±5%) | |||||||||||
| Accuracy @ Ta=25°C | ±1% FS | |||||||||||
| Linearity @ Ta=25°C | ±1% FS | |||||||||||
| Input Offset Voltage | SCD3-AC<±150mV | |||||||||||
| Thermal drift of Vo | < ±1mV/°C | |||||||||||
| Resolution | 10uA | |||||||||||
| immunity (to external interference) | < ± 5mV When H=50A DC/m | |||||||||||
| Weight: | SCD3-AC 450g | |||||||||||
| Withstand voltage | 3kVrms/50Hz/min | |||||||||||
| Current consumption | <20mA | |||||||||||
| Operating temperature | -10~+75 °C | |||||||||||
| Storage temperature | -25~+80 °C | |||||||||||


Instructions
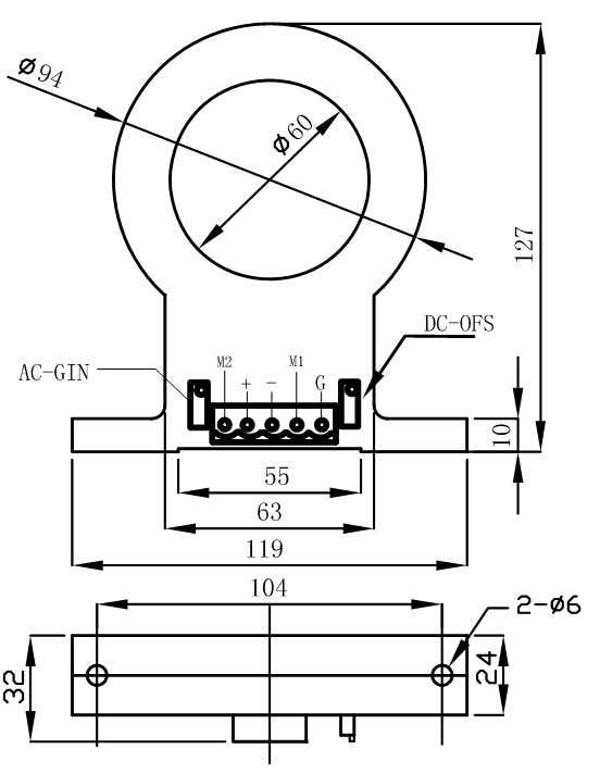
1.SCD-AC Series sensor is AC/DC leakage current sensor adapt non-contactmeasurement, it can measure small AC, DC current MA level’s isolation inperforation measurement. M2 measure AC output, M1 measure DC output. 2.Zeroposition output of the sensor output can be adjusted according to userneeds.
3.AC-GIN adjust the AC output value, DC-OFS adjust the zero DC.
Caution: This product is precision measuring device, please handle with care!
